Номер телефона
+7 937 298-35-55Адрес
Россия, Республика Татарстан, г. Набережные Челны, пр. Московский, 175 С 8.00 до 20.00Обратная связь
Обратная связь
Ваше сообщение было успешно отправлено
Номер телефона
+7 937 298-35-55Адрес
Россия, Республика Татарстан, г. Набережные Челны, пр. Московский, 175 С 8.00 до 20.00Обратная связь
Обратная связь
Ваше сообщение было успешно отправлено
Онлайн заказ
Обратная связь
Ваше сообщение было успешно отправлено
| Наименование показателя | Значение в стандартной комплектации (в скобках – опциональные значения) |
| Обозначение | 13Т39416 |
| Тип тали | Электрическая, канатная, передвижная |
| Грузоподъемность | 4 тонны |
| Высота подъема (диапазон передвижения крюка) | 6,0 метров |
| Скорость подъема | 4 м/мин |
| Скорость передвижения тележки | 20 м/мин |
| Строительная высота тали (размер С) | 1160 мм |
| Масса тали | 460 кг |
| База тали | 280 мм |
| Ширина полки монорельсового пути катания тельфера | 130мм … 150 мм |
| Марка двутавра горизонтального перемещения тали | 30М, 36М, 45М |
| Минимальный радиус закругления пути | 2,5 метра |
| Максимальный уклон пути катания тельфера | 0,30% |
| Масса груза при проведении статических испытаний | 5 тонн |
| Масса груза при проведении динамических испытаний | 4.4 тонны |
| Диаметр колеса тележки передвижения | 175 мм |
| Кратность полиспаста | 4 / 1 |
| Режим работы | М5 по ИСО 4301/1; 2m по FEM 9.511 |
| Исполнение | Общепромышленное (пожаробезопасное, взрывобезопасное) |
| Климатическое исполнение и категория размещения | У2 по ГОСТ 15150-69 |
| Температура окружающей среды при эксплуатации | -20С … +40С (-40С … +40С) |
| Класс пожароопасной зоны | П-1 |
| Питание тельфера | Электрическое, переменное, трехфазное |
| Силовая цепь | 380В, 50Гц |
| Цепь управления | 42В |
| Степень защиты электрооборудования | IP54 |
| Механизм подъема | |
| Количество электродвигателей | 1 |
| Марка электродвигателя | КГЕ 2008-6 ТР1 |
| Мощность электродвигателя подъема | 3 |
| Номинальный ток электродвигателя подъема | 11,0 |
| Количество тормозов | 1 |
| Тип тормоза | Автоматический, нормальнозакрытый, конический |
| Тип привода тормоза | от ротора электродвигателя |
| Тормозной момент | 48 Нм |
| Коэффициент запаса тормоза | 1,7 |
| Механизм передвижения тележки | |
| Количество электродвигателей | 1 |
| Марка электродвигателя | ККЕ 1405-6А |
| Мощность электродвигателя передвижения тележки | 0,25 |
| Номинальный ток электродвигателя передвижения тележки | 1,2 |
| Количество тормозов | 1 |
| Тип тормоза | Автоматический, нормальнозакрытый, дисковый |
| Тип привода тормоза | от ротора электродвигателя |
| Тормозной момент | 1,9 Нм |
| Коэффициент запаса тормоза | 1,4 |
| Характеристики каната тельфера | |
| Диаметр каната | 10 мм |
| Длина каната | 16 м |
| Разрывное усилие каната | 66,8 кН |
| Расчетное натяжение | 10,29 кН |
| Коэффициент надежности | |
| - нормативный | 4,5 |
| - расчетный | 6,4 |
| Покрытие поверхности проволоки | оцинкованное |
| Гарантийный срок | 12 месяцев |
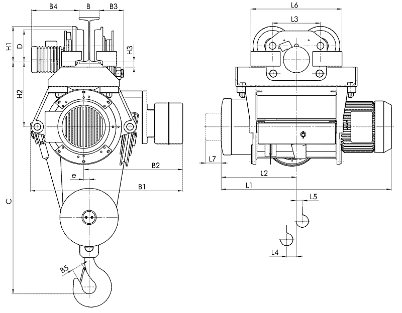
|
L1
|
1026 |
|
L2
|
467 |
|
L3
|
280 |
|
L4
|
58 |
|
L5
|
43 |
|
L6
|
536 |
|
H1
|
200 |
|
H2
|
357 |
|
H3
|
34 |
|
e
|
29 |
|
C
|
1160 |
|
D
|
175
|
|
B
|
130…150
|
|
B1
|
860 |
|
B2
|
545 |
|
B3
|
125…105
|
|
B4
|
270...335 |
|
B5
|
56 |