Номер телефона
+7 937 298-35-55Адрес
Россия, Республика Татарстан, г. Набережные Челны, пр. Московский, 175 С 8.00 до 20.00Обратная связь
Обратная связь
Ваше сообщение было успешно отправлено
Номер телефона
+7 937 298-35-55Адрес
Россия, Республика Татарстан, г. Набережные Челны, пр. Московский, 175 С 8.00 до 20.00Обратная связь
Обратная связь
Ваше сообщение было успешно отправлено
Онлайн заказ
Обратная связь
Ваше сообщение было успешно отправлено
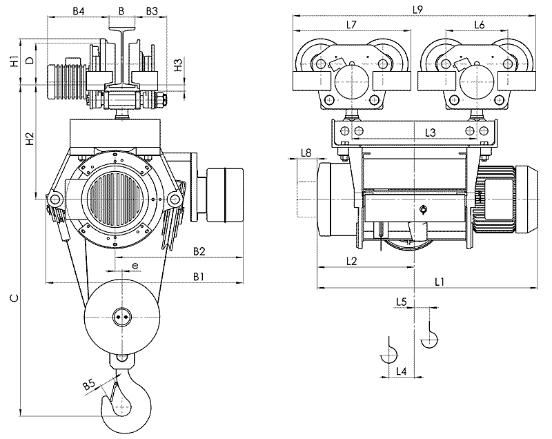
| Наименование показателя | Значение в стандартной комплектации (в скобках – опциональные значения) |
| Обозначение | 13Т39616 |
| Тип тали | Электрическая, канатная, передвижная |
| Грузоподъемность | 10 тонн |
| Высота подъема (диапазон передвижения крюка) | 6,0 метров |
| Скорость подъема | 4 м/мин |
| Скорость передвижения тележки | 20 м/мин |
| Строительная высота тали (размер С) | 1640 мм |
| Масса тали | 805 кг |
| База тали | 625 мм |
| Ширина полки монорельсового пути катания тельфера | 130мм … 150 мм |
| Марка двутавра горизонтального перемещения тали | 30М, 36М, 45М |
| Минимальный радиус закругления пути | 3,5 метра |
| Максимальный уклон пути катания тельфера | 0,30% |
| Масса груза при проведении статических испытаний | 12,5 тонны |
| Масса груза при проведении динамических испытаний | 11 тонн |
| Диаметр колеса тележки передвижения | 210 |
| Кратность полиспаста | 4 / 1 |
| Режим работы | М5 по ИСО 4301/1; 2m по FEM 9.511 |
| Исполнение | Общепромышленное (пожаробезопасное, взрывобезопасное) |
| Климатическое исполнение и категория размещения | У2 по ГОСТ 15150-69 |
| Температура окружающей среды при эксплуатации | -25С … +40С (-40С … +40С) |
| Класс пожароопасной зоны | П-1 |
| Питание тельфера | Электрическое, переменное, трехфазное |
| Силовая цепь | 380В, 50Гц |
| Цепь управления | 42В |
| Степень защиты электрооборудования | IP54 |
| Механизм подъема | |
| Количество электродвигателей | 1 |
| Марка электродвигателя | КГЕ 2412-6 ТР1 |
| Мощность электродвигателя подъема | 8,0 |
| Номинальный ток электродвигателя подъема | 24,5 |
| Количество тормозов | 1 |
| Тип тормоза | Автоматический, нормальнозакрытый, конический |
| Тип привода тормоза | от ротора электродвигателя |
| Тормозной момент | 105 Нм |
| Коэффициент запаса тормоза | 1,75 |
| Механизм передвижения тележки | |
| Количество электродвигателей | 2 |
| Марка электродвигателя | ККЕ 1407-6А |
| Мощность электродвигателя передвижения тележки | 0,37 |
| Номинальный ток электродвигателя передвижения тележки | 2х1,8 |
| Количество тормозов | 2 |
| Тип тормоза | Автоматический, нормальнозакрытый, дисковый |
| Тип привода тормоза | от ротора электродвигателя |
| Тормозной момент | 2,45 Нм |
| Коэффициент запаса тормоза | 1,5 |
| Характеристики каната тельфера | |
| Диаметр каната | 15 мм |
| Длина каната | 16 м |
| Разрывное усилие каната | 163 кН |
| Расчетное натяжение | 25,77 кН |
| Коэффициент надежности | |
| - нормативный | 4,5 |
| - расчетный | 6,3 |
| Покрытие поверхности проволоки | оцинкованное |
| Гарантийный срок | 12 месяцев |
| L1 | 1115 |
| L2 | 500 |
| L3 | 625 |
| L4 | 63 |
| L5 | 38 |
| L6 | 310 |
| H1 | 232 |
| H2 | 580 |
| H3 | 30 |
| e | 35 |
| C | 1640 |
| D | 210 |
| B | 130…150 |
| B1 | 965 |
| B2 | 620 |
| B3 | 145…125 |
| B4 | 300 |
| B5 | 71 |