Номер телефона
+7 937 298-35-55Адрес
Россия, Республика Татарстан, г. Набережные Челны, пр. Московский, 175 С 8.00 до 20.00Обратная связь
Обратная связь
Ваше сообщение было успешно отправлено
Номер телефона
+7 937 298-35-55Адрес
Россия, Республика Татарстан, г. Набережные Челны, пр. Московский, 175 С 8.00 до 20.00Обратная связь
Обратная связь
Ваше сообщение было успешно отправлено
Онлайн заказ
Обратная связь
Ваше сообщение было успешно отправлено
| Наименование показателя | Значение в стандартной комплектации (в скобках – опциональные значения) |
| Обозначение | 13Т10316 |
| Тип тали | Электрическая, канатная, передвижная |
| Грузоподъемность | 1 тонна |
| Высота подъема (диапазон передвижения крюка) | 6,0 метров |
| Скорость подъема | 8 м/мин |
| Скорость передвижения тележки | 20 м/мин |
| Строительная высота тали (размер С) | 910 мм |
| Масса тали | 140 кг |
| База тали | 225 мм |
| Ширина полки монорельсового пути катания тельфера | 90мм … 130 мм |
| Марка двутавра горизонтального перемещения тали | 18М, 24М, 30М, 36М |
| Минимальный радиус закругления пути | 2,5 метра |
| Максимальный уклон пути катания тельфера | 0,30% |
| Масса груза при проведении статических испытаний | 1250 кг |
| Масса груза при проведении динамических испытаний | 1100 кг |
| Диаметр колеса тележки передвижения | 120 |
| Кратность полиспаста | 2 / 1 |
| Режим работы | М5 по ИСО 4301/1; 2m по FEM 9.511 |
| Исполнение | Общепромышленное (пожаробезопасное, взрывобезопасное) |
| Климатическое исполнение и категория размещения | У2 по ГОСТ 15150-69 |
| Температура окружающей среды при эксплуатации | -20С … +40С (-40С … +40С) |
| Класс пожароопасной зоны | П-1 |
| Питание тельфера | Электрическое, переменное, трехфазное |
| Силовая цепь | 380В, 50Гц |
| Цепь управления | 42В |
| Степень защиты электрооборудования | IP54 |
| Механизм подъема | |
| Количество электродвигателей | 1 |
| Марка электродвигателя | КГЕ 1608-6 ТР1 |
| Мощность электродвигателя подъема, кВт | 1,5 |
| 5,8 | |
| Количество тормозов | 1 |
| Тип тормоза | Автоматический, нормальнозакрытый, конический |
| Тип привода тормоза | от ротора электродвигателя |
| Тормозной момент | 23,5 Нм |
| Коэффициент запаса тормоза | 1,75 |
| Механизм передвижения тележки | |
| Количество электродвигателей | 1 |
| Марка электродвигателя | ККЕ 1204-6А |
| Мощность электродвигателя передвижения тележки | 0,12 |
| Номинальный ток электродвигателя передвижения тележки | 0,82 |
| Количество тормозов | 1 |
| Тип тормоза | Автоматический, нормальнозакрытый, дисковый |
| Тип привода тормоза | от ротора электродвигателя |
| Тормозной момент | 1,0 Нм |
| Коэффициент запаса тормоза | 1,5 |
| Характеристики каната тельфера | |
| Диаметр каната | 7 мм |
| Длина каната | 16 м |
| Разрывное усилие каната | 27,9,0 кН |
| Расчетное натяжение | 5,19 кН |
| Коэффициент надежности | |
| - нормативный | 4,5 |
| - расчетный | 5,3 |
| Покрытие поверхности проволоки | оцинкованное |
| Гарантийный срок | 12 месяцев |
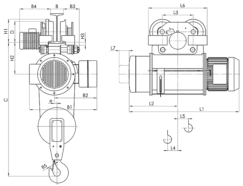
|
L1
|
709 |
|
L2
|
310 |
|
L3
|
225
|
|
L4
|
48 |
|
L5
|
55 |
|
L6
|
415
|
|
H1
|
148
|
|
H2
|
204
|
|
H3
|
33
|
|
e
|
18
|
|
C
|
910
|
|
D
|
120
|
|
B
|
90…130
|
|
B1
|
465
|
|
B2
|
300
|
|
B3
|
94…54
|
|
B4
|
245...305
|
|
B5
|
40 |








